當前位置: 滾珠絲桿網 ? 線性模組 ? 上銀KK50線性模組
上銀KK50線性模組
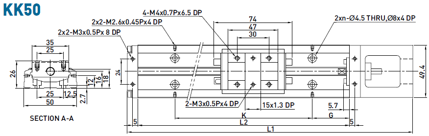
雷研精密傳動設備有限公司現貨上銀KK50線性模組【價格合理、原裝正品】請需要KK50線性模組的朋友聯系:黃志杰(經理)? 聯系電話:15802034588。
KK50導軌長度 : 150, 200, 250, 300。
KK50線性模組的安裝
滾珠絲桿型式若確定用途為垂直方向(z軸)請注意,垂直安裝屬於特殊使用狀態,承載負荷請在表列最大可搬重量 (直立)范圍內使用,除此之外,時規皮帶型式禁止垂直方向使用。
*注意:為防止負載滑落,垂直安裝時,採用馬達宜含煞車。
KK50線性模組的壽命
於水平安裝、側掛安裝、傾斜安裝(角度小於30度)時,IR壽命以線性滑軌的壽命為準;垂直安裝、傾斜安裝(角度大 於30度)時,IR壽命則以絲桿或固定端軸承壽命(取其小者)為準。
表列額定動負載(Fy, Fz, Mx, My, Mz)是相對於模組行走10,000 Km的壽命,若負載小於表列可負載條件(Fy/Fyd + Fz/Fzd + Mx/Mxd + My/Myd + Mz/Mzd≦1)則壽命將可延長;反之,如果負載大於表定值,則壽命將少於10,000 Km。 為確保IR的長期使用,建議儘可能在表列負載范圍內使用。
KK50線性模組的保養
IR模組需要維修保養的部分包括滾珠絲桿、線性滑軌及相關配件。每三個月或每行走100公里的距離后,必須對滾珠絲杠和線性滑軌補充潤滑劑,并請檢查有無任何污垢或碎屑在系統內,如果油脂變得骯臟時,請更換油脂。如有 任何保養方面的特殊問題,請與雷研精密傳動設備有限公司聯系。
瀏覽該產品的人還會?
KK40線性模組、HIWIN絲性模組。
滾珠絲杠討論①群263545937(專家在線為你解答)歡迎你的加入!
版權所有 © 轉載時必須以鏈接形式注明作者和原始出處!

