當前位置: 滾珠絲桿網 ? 1610滾珠絲杠 ? SFI1610滾珠絲杠
SFI1610滾珠絲杠
雷研精密傳動設備有限公司供應SFI1610滾珠絲杠【貨源充足、價格合理、原裝正品、品牌齊全】請需要SFI1610滾珠絲桿的朋友聯系:黃志杰(經理)? 聯系電話:15802034588。
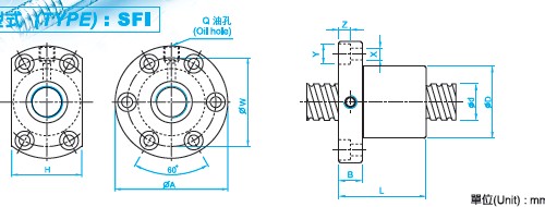
SFI1610滾珠絲桿參數
型號:SFI1610
絲桿外徑:16
導程:10
珠徑:3.175
螺母外徑:34
法蘭直徑:58
法蘭的厚度:10
螺母的長度:57
安裝孔之間的距離:45
法蘭的寬度:34
珠圈數:1×4
動額定負荷:1103
靜額定負荷:2401
剛性:27。
【系統要有適度阻尼】
阻尼一方面降低進給伺服系統的快速響應特性,另一方面增加系統的穩定性,在剛度不足時,運動件之間的運動阻尼對降低工作臺“爬行”,提高系統穩定性起重要作用。
瀏覽SFI1610滾珠絲杠的用戶還會?
DFS1610滾珠絲杠、DFV1610滾珠絲杠等。
滾珠絲杠討論①群263545937(專家在線為你解答)歡迎你的加入!
版權所有 © 轉載時必須以鏈接形式注明作者和原始出處!


