當前位置: 滾珠絲桿網 ? 8010滾珠絲杠 ? DFV8010滾珠絲桿
DFV8010滾珠絲桿
雷研精密傳動設備有限公司供應DFV8010滾珠絲桿【貨源充足、價格合理、原裝正品、品牌齊全】請需要DFV滾珠絲杠的朋友聯系:黃志杰(經理)? 聯系電話:15802034588。
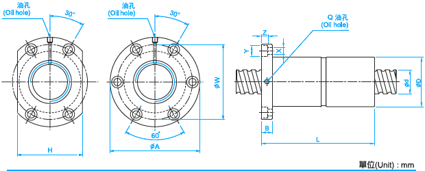
DFV8010滾珠絲杠參數
型號:DFV8010
絲桿外徑:80
導程:10
珠徑:6.35
螺母外徑:130
法蘭直徑:176
法蘭的厚度:22
螺母的長度:195
安裝孔之間的距離:152
法蘭的寬度:132
珠圈數:4.8×1
動額定負荷:8593
靜額定負荷:38344
剛性:201。
購買DFV8010滾珠絲桿注意事項:
不要貪圖便宜,在一些沒有資質認證的商家手上購買便宜滾珠絲杠。滾珠絲杠生產是有成本的,而滾珠絲杠價格是由成本決定的。知名企業的產品在生產過程中對原材料,生產工序等都是有嚴格控制的,這在保證其產品品質的基礎上,也使成本相應提高,因此市場價格不會很低。
瀏覽DDFV8010滾珠絲桿的用戶還會?
DFV6230滾珠絲杠、DFV4010滾珠絲桿等
滾珠絲杠討論①群263545937(專家在線為你解答)歡迎你的加入!
版權所有 © 轉載時必須以鏈接形式注明作者和原始出處!


