當前位置: 滾珠絲桿網 ? 8010滾珠絲杠 ? SFI8010滾珠絲桿
SFI8010滾珠絲桿
雷研精密傳動設備有限公司供應SFI8010滾珠絲桿【貨源充足、價格合理、原裝正品、品牌齊全】請需要SFI8010絲杠的朋友聯系:黃志杰(經理)? 聯系電話:15802034588。
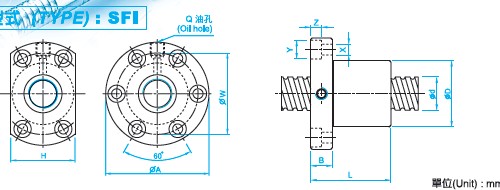
SFI8010滾珠絲杠參數
型號:SFI8010
絲桿外徑:80
導程10
珠徑:6.35
螺母外徑:105
法蘭直徑:150
法蘭的厚度:22
螺母的長度:98
安裝孔之間的距離:127
法蘭的寬度:115
珠圈數:1×4
動額定負荷:7346
靜額定負荷:31953
剛性:109。
【SFI8010滾珠絲杠副結構尺寸的選擇】
選用滾珠絲桿副時,通常主要選擇絲杠的公稱直徑和基本導程。公稱直徑應根據軸向最大載荷按滾珠絲杠副尺寸系列選擇。螺紋長度在允許的情況下要盡量短。基本導程(或螺距)應按承載能力、傳動精度及傳動速度選取,基本導程大承載能力也大,基本導程小傳動精度較高。要求傳動速度快時,可選用大導程滾珠絲杠副。
瀏覽SFI8010滾珠絲桿的用戶還會?
DFU8010滾珠絲杠、SCI8010滾珠絲桿等。
滾珠絲杠討論①群263545937(專家在線為你解答)歡迎你的加入!
版權所有 © 轉載時必須以鏈接形式注明作者和原始出處!


